1.虛焊:劣質壓敏電阻往往因為工藝水平差,生產出來的壓敏電阻漆腳不均勻,導致虛焊,假焊插板往往是不及格的。
2.電阻穿孔:劣質壓敏電阻芯片原材料銀漿純度不高,在打沖擊電流(Imax)時,耐沖擊能力差,易發生壓敏電阻穿孔等現象發生。
如有其他問題,請聯系我司FAE工程師電話:15899668881或 通過
1.劣質壓敏電阻漆腳不均勻,導致插板虛焊丶假焊等問題。源林電子漆腳均勻有效防止虛焊等問題發生,插板合格率達98.5%以上!


4.若您使用壓敏電阻出現炸機等情況,推薦使用壓敏電阻(點擊下方進入產品列表)
祺瑞的技術總監:你們的NTC耗散快,20多秒。別人家的2分鐘才恢復。這就是區別,這還是相對于其他產品的優勢之一,產品品質是一個企業的生命,當你一味地降低成本,壓低價格而忽略品質的話,這其實就是無形的在消耗的企業的壽命。人們常說‘性價比’,什么是性價比?性價比是性能與價格的比數,而不是單方面的價格。而你們產品比普通產品反應靈敏、穩定,能提供更長的使用壽命,還有的附加值,這些都是產品市場占有率穩定且穩步增長的重要因數!
電源廠家東菱張先生:專注做好品質,且又能保證價格好,交期準時,這是我們做對供應商關系的問題,我們找到源林電子科技的時候,是因為我們之前的供應商無法滿足我們大批量的熱敏電阻的需求,交期延誤。導致我們的生產成本增加,找到源林電子的時候,由于我們產線需求,需要提前交貨,大半夜打電話要求,他們都有安排發貨及時提供單號,跟進貨物進度。真的被他們這種一切為客戶著想的精神感動。后期我們會繼續長期合作,因為源林電子解決了我們很多麻煩。
明偉電源廠家黃經理:與源林電子科技合作多年,原材料漲價多次,對我們這些客戶來說也是加重成本,源林電子沒有把原材料價格嫁接給我們這些老客戶,同樣的型號,同樣的品質,但是價格沒有變。這種從自己企業去節約成本,把客戶利益放在首位的做法,值得我們學習。希望我們繼續合作共贏,友誼長存!
壓敏電阻: VT 壓敏電阻型號: TVR07361KSY
壓敏電阻片徑: Φ7mm 標稱壓敏電壓(@1mADC): 360V(324~396)
沖擊電流: 1200 額定功率: 0.6 工作溫度范圍: -40℃-+85℃ 儲存溫度范圍: -40℃-+125℃ 連續工作電壓Vac(mns): 230 連續工作電壓Vdc: 300 ![]()
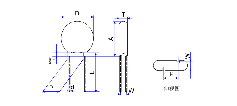
系列
D
Lmin.
d
P
Amax.
Tmax.
W
TVR07
6.5~9.0
26.5
0.6±0.02
5 ±1
11.0
請見電氣特性表
請見電氣特性表
![]()
![]()
![]()
注意事項:常用料號交期:2天~1周 特殊料號:少起訂量 特殊料號交期:4~8個月
![]()
![]()
行業UL認證實驗室 確保電阻性能穩定
![]()
CCD在線全檢3參數 7合一自動化產線確保品質
源林電子科技創立于 2007年,我司提供「過電流保護 」、「過電壓保護」、「過溫度偵測與防護」三大類的電子電路保護解決方案 ,產品涵蓋負溫度系數熱敏電阻( NTC Thermistor )、壓敏電阻 ( Varistor )、 正溫度系數熱敏電阻 ( PTC Thermistor ) 溫度傳感器 ( Temperature Sensor ) 。公司采用ISO9001及TS16949的品質管理 系統來管理,確保產品質量。
源林電子所有產 品通過UL、CSA 、VDE、TUV、CQC等國際安規系統的認證,是堅實品質的保證。源林電 子用的技術 能力,為企業提供熱情周到的服務,歡迎您來廠洽談。
如有電阻選型問題,請聯系我司FAE工程師電話:15899668881或 通過
![]()
熱敏電阻認證齊全
認證包括:UL、CUL、VDA、CSA、CQC、 SGS
![]()
UL: E314979/E186 cUL:E314979 CQC03001005165
![]()
CSA :97495 VDE:5944
工作時間:8:30AM-18:00PM如不在線可以直接下單!
移動手機:18922525567 座機:0769-81581588
公司名稱:東莞市源林電子科技有限公司
公司地址:東莞市長安鎮上沙社區北橫路8號
您好,歡迎蒞臨源林電子,歡迎咨詢...
![]() 觸屏版二維碼 |